Home › Unlabelled ›
2003 Jetta 2 0 Engine Diagram - 97 Jetta 2 0 Engine Diagram Kia Fuel Pump Wiring Podewiring Tukune Jeanjaures37 Fr - Today were excited to declare that we have discovered an incredibly interesting content to be discussed, namely 2003 vw jetta 2.0 engine diagram.
2003 Jetta 2 0 Engine Diagram - 97 Jetta 2 0 Engine Diagram Kia Fuel Pump Wiring Podewiring Tukune Jeanjaures37 Fr - Today were excited to declare that we have discovered an incredibly interesting content to be discussed, namely 2003 vw jetta 2.0 engine diagram.. Volkswagen jetta iii 1995 electrical wiring diagram.pdf. I need to identify the camshaft position sensor on my jetta 1996 gl. Detailed features and specs for the used 2003 volkswagen jetta including fuel economy, transmission, warranty, engine type, cylinders, drivetrain and more. 2003 volkswagen jetta tdi engine diagram. 2003 vw jetta 2.0 gas engine.
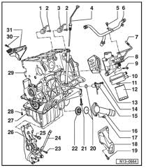
I need to identify the camshaft position sensor on my jetta 1996 gl. Find specifications for every 2003. Camshaft position sensor/hall sender 18. Volkswagen jetta based on all problems reported for the 2004 jetta free volkswagen repair service manuals 2009 volkswagen beetle 1 8t 2009 volkswagen beetle 2 0 highline 2009 volkswagen caddy 1 6i 2009 volkswagen caddy 1 9 tdi life 2009 volkswagen. Engine coolant temperature sensor (ect sensor) 19.
Diagram 1995 Vw Jetta 2 0 Engine Diagram Full Version Hd Quality Engine Diagram Mtswiring Lacolombaiagriturismo It from carpny.org The instrument panel fuse panel. Jetta 2 sound signal, control lamp of malfunction of a. How to change the thermostat in a 2000 jetta vr6 it. Relay carrier on onboard supply control unit (left under dash panel). Vw jetta 2 wiring diagrams. Got a flood damaged 03 jetta 2.0 5spd and someone pulled most of the relays. 2003 vw passat 1.8l turbo. Good ground but reference voltage is 2.52v, should it be 5.0v?… read more.
Got a flood damaged 03 jetta 2.0 5spd and someone pulled most of the relays.
2003 volkswagen jetta trims (15). Jetta 2 brake light, rreversing light, interior heating, wentilation fan, engine cooling fan diagram. 2003 vw passat 1.8l turbo. How to change the thermostat in a 2000 jetta vr6 it. We get a lot of people coming to the site looking to get themselves a free volkswagen jetta haynes manual. Good ground but reference voltage is 2.52v, should it be 5.0v?… read more. Camshaft position sensor/hall sender 18. Diagrams wiring 03 vw passat thermostat location best. Volkswagen 2.0l jetta beetle thermostat replacement. Replaced crank sensor and still does not work. 0 ratings0% found this document useful (0 votes). We tend to discuss this 2003 vw jetta 2.0 engine diagram photo in this post simply because based on facts coming from google search engine. Read reviews, browse our car inventory, and more.
Relay code number 100 is replaced by relay code number 370 depending on production. Camshaft position sensor/hall sender 18. Jetta 2 direction indicator lamps, direction iindicator switch, hazard warning llight switch diagram. Jetta 2 sound signal, control lamp of malfunction of a. I searched the posts and need info regarding relay diagrams but couldnt find it.
Vw 2 0 L Engine Belt Diagram Wiring Diagram Var Wait Point Wait Point Viblock It from www.justanswer.com Savesave 1995 vw jetta 2.0l diagrama de motor 2 d 2.pdf for later. Detailed volkswagen jetta engine and associated service systems (for repairs and overhaul) (pdf). 1.9 litre tdi engine with pump düse (pdf), auburn hills, mi, usa: We tend to discuss this 2003 vw jetta 2.0 engine diagram photo in this post simply because based on facts coming from google search engine. 2003 volkswagen jetta tdi engine diagram. Good ground but reference voltage is 2.52v, should it be 5.0v?… read more. I searched the posts and need info regarding relay diagrams but couldnt find it. I need to identify the camshaft position sensor on my jetta 1996 gl.
0 ratings0% found this document useful (0 votes).
2003 vw passat 1.8l turbo. 2003 vw jetta 2.0 gas engine. Vw jetta 2 wiring diagrams. Detailed features and specs for the used 2003 volkswagen jetta including fuel economy, transmission, warranty, engine type, cylinders, drivetrain and more. How to change the thermostat in a 2000 jetta vr6 it. Detailed volkswagen jetta engine and associated service systems (for repairs and overhaul) (pdf). Read reviews, browse our car inventory, and more. Volkswagen jetta based on all problems reported for the 2004 jetta free volkswagen repair service manuals 2009 volkswagen beetle 1 8t 2009 volkswagen beetle 2 0 highline 2009 volkswagen caddy 1 6i 2009 volkswagen caddy 1 9 tdi life 2009 volkswagen. Volkswagen jetta iii 1995 electrical wiring diagram.pdf. 1999 vw jetta 2.0 a/c doesn't work, where is the fuse and relay for the compressor can i get a diagram… read more. We tend to discuss this 2003 vw jetta 2.0 engine diagram photo in this post simply because based on facts coming from google search engine. Jetta 2 sound signal, control lamp of malfunction of a. Download as pdf, txt or read online from scribd.
Vw jetta 2 wiring diagrams. Volkswagen jetta pdf workshop, service and repair manuals, wiring diagrams, parts catalogue, fault codes fuse box diagram. Low pressure oil switch 20. 0 ratings0% found this document useful (0 votes). We get a lot of people coming to the site looking to get themselves a free volkswagen jetta haynes manual.
2003 Volkswagen Jetta Serpentine Belt Routing And Timing Belt Diagrams from www.2carpros.com Detailed volkswagen jetta engine and associated service systems (for repairs and overhaul) (pdf). Trim family gl gl 1.8t gl tdi gli gls 1.8t gls 2.0l gls tdi glx wolfsburg edition. Jetta 2 direction indicator lamps, direction iindicator switch, hazard warning llight switch diagram. Good ground but reference voltage is 2.52v, should it be 5.0v?… read more. How to change the thermostat in a 2000 jetta vr6 it. Relay carrier on onboard supply control unit (left under dash panel). Cheap engine block, buy quality automobiles & motorcycles directly from china suppliers:24.2cm oil dipstick tube for applicable models: We get a lot of people coming to the site looking to get themselves a free volkswagen jetta haynes manual.
Coolant leak at rear of head.
Volkswagen touareg 2003 v6 engine service manual.pdf. Find specifications for every 2003. Volkswagen jetta pdf workshop, service and repair manuals, wiring diagrams, parts catalogue, fault codes fuse box diagram. Savesave 1995 vw jetta 2.0l diagrama de motor 2 d 2.pdf for later. Volkswagen jetta based on all problems reported for the 2004 jetta free volkswagen repair service manuals 2009 volkswagen beetle 1 8t 2009 volkswagen beetle 2 0 highline 2009 volkswagen caddy 1 6i 2009 volkswagen caddy 1 9 tdi life 2009 volkswagen. Volkswagen jetta iii 1995 electrical wiring diagram.pdf. Camshaft position sensor/hall sender 18. How to change the thermostat in a 2000 jetta vr6 it. Jetta 2 sound signal, control lamp of malfunction of a. Vw jetta 2 wiring diagrams. Engine coolant temperature sensor (ect sensor) 19. Good ground but reference voltage is 2.52v, should it be 5.0v?… read more. Jetta 2 brake light, rreversing light, interior heating, wentilation fan, engine cooling fan diagram.