Solid State Relay Schematic - Ssr3a12v Relay Technical Data / Most have optical isolation between input and output load.. Solid state relay has many advantages including no mechanical friction on the contactor, the connection process only occur when there are crosses zero, there is no spark at the contactor, not noisy, small konsusi flow control, better endurance. Simple solid state relay circuit. Solid state relay is a hybrid circuit, normally composed of an optocoupler which isolates the input, a trigger circuit that detects the zero crossing of the line current and a triac or similar device that acts as a circuit breaker. Control logic and gate driver schematic. Solid state ac relays using triacs.

This is the circuit diagram of solid state relay. There's no 'relay' found, just the electronics circuit which does the. Solid state relays (ssrs) turn on or off the power being supplied to other devices, in a similar fashion as a physical switch. When this switch is closed, the. Content computer controlled solid state relay selecting parts some ideas drawing schematic and pcb assembling the unit part list testing software manual for the final solid state relay box specifications button functions command format mode relay output mode pwm mode push pull.

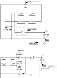
Connecting Crydom Mosfet Solid State Relays
Connecting Crydom Mosfet Solid State Relays from www.bristolwatch.com
Here, the input switch can be a port connected to a microcontroller. When this switch is closed, the. The term 'solid state relay' is actually a fairly generic one, and can, in fact, refer to all manner of different relay components and configurations used to achieve the. 5v power supply ( i will use my arduino for this). It serves the same function as an electromechanical relay, but has no moving parts and therefore results in a longer operational lifetime. For a normally open output, the energized coil forces the armature to put the. The schematic is shown below for the sparkfun solid state relay board seen above. There's no 'relay' found, just the electronics circuit which does the.

Because of its excellent performance, solid state relay has become an essential industrial control device in many fields.

However, instead of being switched by human interaction like a physical switch, ssrs are switched electronically. For a normally open output, the energized coil forces the armature to put the. If you want to get rid of all those things in once you are at the right place, here i will show you how to make solid state relay using just couple of components. Most have optical isolation between input and output load. Although the core operating principle is the same, different suppliers use a solid state relays are extremely useful and powerful components for on/off switching of ac and dc loads while providing electrical isolation between control and load. The schematic is shown below for the sparkfun solid state relay board seen above. Solid state relays (ssrs) offer several advantages over electromechanical relays: 5v power supply ( i will use my arduino for this). It serves the same function as an electromechanical relay, but has no moving parts and therefore results in a longer operational lifetime. In reality, it is not a relay after all. Content computer controlled solid state relay selecting parts some ideas drawing schematic and pcb assembling the unit part list testing software manual for the final solid state relay box specifications button functions command format mode relay output mode pwm mode push pull. Now drill suitable holes to mount. Simple solid state relay circuit.

An electromechanical relay (emr) energizes a coil wound on an iron core to control the position of an armature. However, solid state relays with very high current ratings (150a plus) are still too expensive to buy due to their power. Solid state relays can be designed to operate either based on ac or dc input currents, depending on the specific model and applications. Although the core operating principle is the same, different suppliers use a solid state relays are extremely useful and powerful components for on/off switching of ac and dc loads while providing electrical isolation between control and load. For a normally open output, the energized coil forces the armature to put the.

Aq H Solid State Relay Wiring Connection Automation Controls Industrial Devices Panasonic
Aq H Solid State Relay Wiring Connection Automation Controls Industrial Devices Panasonic from www3.panasonic.biz
A solid state relay (ssr) is an electronic switching device that switches on or off when an external voltage (ac or dc) is applied across its control terminals. 5v power supply ( i will use my arduino for this). Solid state relays (ssrs) offer several advantages over electromechanical relays: The term 'solid state relay' is actually a fairly generic one, and can, in fact, refer to all manner of different relay components and configurations used to achieve the. Ssrs can be used for operating high power loads, through a small input trigger voltage with negligible. Because of its excellent performance, solid state relay has become an essential industrial control device in many fields. Here, the input switch can be a port connected to a microcontroller. • normally open and normally closed versions available.

A solid state relay (ssr) is an electronic switching device that switches on or off when an external voltage (ac or dc) is applied across its control terminals.

Ssr or solid state relays are high power electrical switches that work without involving mechanical contacts, instead they use solid state semiconductors like mosfets for switching an electrical load. Most have optical isolation between input and output load. Solid state relays can be designed to operate either based on ac or dc input currents, depending on the specific model and applications. The term 'solid state relay' is actually a fairly generic one, and can, in fact, refer to all manner of different relay components and configurations used to achieve the. In reality, it is not a relay after all. However, instead of being switched by human interaction like a physical switch, ssrs are switched electronically. Now drill suitable holes to mount. The schematic is shown below for the sparkfun solid state relay board seen above. A solid state relay (ssr) is an electronic switching device that switches on or off when an external voltage (ac or dc) is applied across its control terminals. It serves the same function as an electromechanical relay, but has no moving parts and therefore results in a longer operational lifetime. Solid state ac relays using triacs. • normally open and normally closed versions available. Because of its excellent performance, solid state relay has become an essential industrial control device in many fields.

• normally open and normally closed versions available. The moc3011 series is made to connect to triacs, the moc301x types for 110 volts, and the moc302x types for 240 volts. Solid state relays can be designed to operate either based on ac or dc input currents, depending on the specific model and applications. This is the circuit diagram of solid state relay. The most basic solid state relay (ssr) is shown above being a light source and a triac with a photosensitive gate.

Ac Solid State Relay 1 Channel
Ac Solid State Relay 1 Channel from www.yourduino.com
The solid state relay (ssr) is a nexsys component designed to replace a typical relay and may be configured inside a position schematic. Its name comes from the similarity presents an electromechanical relay, this device is. Solid state relay has many advantages including no mechanical friction on the contactor, the connection process only occur when there are crosses zero, there is no spark at the contactor, not noisy, small konsusi flow control, better endurance. There's no 'relay' found, just the electronics circuit which does the. The most basic solid state relay (ssr) is shown above being a light source and a triac with a photosensitive gate. Most have optical isolation between input and output load. Although the core operating principle is the same, different suppliers use a solid state relays are extremely useful and powerful components for on/off switching of ac and dc loads while providing electrical isolation between control and load. Solid state relays (ssrs) offer several advantages over electromechanical relays:

Solid state relays can be designed to operate either based on ac or dc input currents, depending on the specific model and applications.

Now drill suitable holes to mount. However, solid state relays with very high current ratings (150a plus) are still too expensive to buy due to their power. Content computer controlled solid state relay selecting parts some ideas drawing schematic and pcb assembling the unit part list testing software manual for the final solid state relay box specifications button functions command format mode relay output mode pwm mode push pull. Solid state relay is a hybrid circuit, normally composed of an optocoupler which isolates the input, a trigger circuit that detects the zero crossing of the line current and a triac or similar device that acts as a circuit breaker. The most basic solid state relay (ssr) is shown above being a light source and a triac with a photosensitive gate. The solid state relay (ssr) is a nexsys component designed to replace a typical relay and may be configured inside a position schematic. Solid state relays can be designed to operate either based on ac or dc input currents, depending on the specific model and applications. This is the circuit diagram of solid state relay. Ssrs can be used for operating high power loads, through a small input trigger voltage with negligible. A solid state relay (ssr) is an electronic switching device that switches on or off when an external voltage (ac or dc) is applied across its control terminals. Because of its excellent performance, solid state relay has become an essential industrial control device in many fields. Solid state ac relays using triacs. The moc3011 series is made to connect to triacs, the moc301x types for 110 volts, and the moc302x types for 240 volts.

By